

Nasz łotewski partner dystrybucyjny Elektrodi od 27 do 29 listopada brał udział w największych targach przemysłowych w krajach bałtyckich – Tech Industry 2025 w Rydze. Byliśmy tam razem z nimi, aktywnie wspierając organizację stoiska oraz prezentację najbardziej zaawansowanych rozwiązań spawalniczych z naszej oferty.
Read more ...
W dniach 14-16 października 2025 będziemy brać udział w Międzynarodowych Targach Spawalniczych ExpoWelding w Katowicach

Z przyjemnością informujemy o rozszerzeniu naszego asortymentu o AeroGuard – nowoczesny system monitorowania jakości powietrza stworzony przez firmę Plymovent. To kompaktowe, zaawansowane technologicznie urządzenie pozwala na bieżąco kontrolować jakość powietrza w pomieszczeniach przemysłowych, biurowych i komercyjnych, zapewniając bezpieczeństwo i komfort pracy.
Read more ...

Under GOLD brand you can find many high quality welding consumables.
Read more ...
Our own brand, designed especially for welding industry. High quality for reasonable prcies.
Read more ...We are a producer of high quality welding consumables and abrasive materials at reasonable price. We also own a bandsaws blades welding manufactury.
Please feel free to contact us.
Approvals: MOST SG2 ITS TÜV, DB, GL, DNV, PRS MOST SG3 ITM TÜV, DB, DNV, PRS
Offer: Bandsaw blades of various parameters for all kinds of band saws.
Offer: Abrasive materials of all kinds and destination.
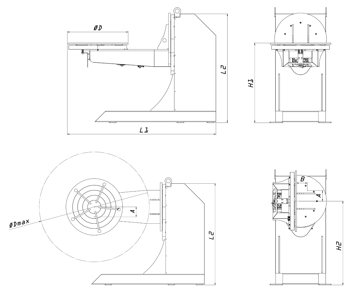
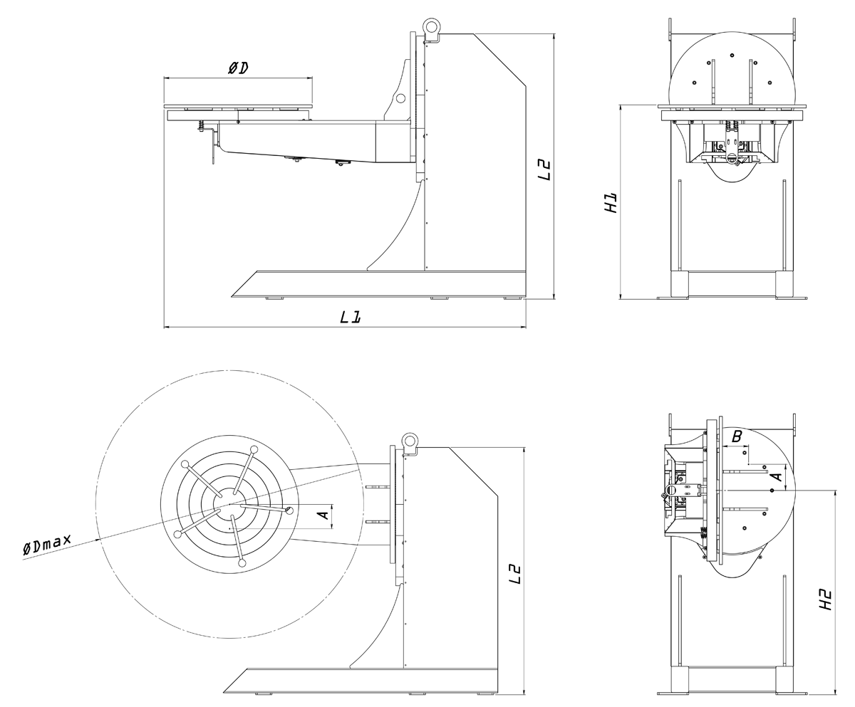
In welding work, positioners are convenient aids in increasing working flexibility, productivity and quality, not to mention labor motivation. Flexible to move work to any suitable position, what allow work-pieces to be set up to the best possible down-hand welding positions. L type positioner MOST MLP
Positioners MOST series MLP are dedicated for heavy work-pieces with demanding product geometry. Work-pieces can be adjusted in all conceivable positions with MLP positioner. This ensures that the welder’s working posture is always productive and ergonomically sound. Inverter-controlled AC-driven rotations are smooth and accurate in all loading conditions. Positioners with loading capacity up to 3000 kg (other various capacities available upon request).
Positioners are equipped with: adjustable steeples rotation speed of table and tilt movement, remote controller with 5 meter cable, digital speed indicator on the controller panel for monitoring rotation, motors with brake and forced fan cooling.
